సీలింగ్ టెక్నాలజీ యొక్క ఆవిష్కరణలో రూచెన్ ముందంజలో ఉంది. స్వతంత్రంగా అభివృద్ధి చెందిన అధిక-పీడన దుమ్ము ముద్రలు కదిలే భాగాల యొక్క దుమ్ము-ప్రూఫ్ డిమాండ్లను ఖచ్చితంగా ఎంకరేజ్ చేస్తాయి మరియు అద్భుతమైన రక్షణను సృష్టించడానికి PTFE డస్ట్ రింగులు మరియు O- రింగులను ఉపయోగిస్తాయి. పనిచేసేటప్పుడు, ఓ-రింగ్ అన్ని సమయాల్లో పిటిఎఫ్ఇ రింగ్ ధరించడానికి భర్తీ చేయడానికి స్థిరమైన ప్రీలోడ్ను వర్తింపజేస్తుంది, ముద్ర యొక్క దీర్ఘకాలిక స్థిరత్వాన్ని నిర్ధారిస్తుంది; దుమ్ము రింగ్ దుమ్ము దండయాత్రను గట్టిగా నిరోధించడానికి యాంటీ-వేర్ ఫిల్లింగ్ పదార్థాలను ఉపయోగిస్తుంది. ఉదాహరణకు, నిర్మాణ యంత్రాల యొక్క హైడ్రాలిక్ సిలిండర్ల కీళ్ళలో, నిర్మాణ స్థలంలో ధూళిని ఎదుర్కొంటున్న, అధిక పీడన దుమ్ము ముద్రలు ధూళి చొరబాట్లను సమర్థవంతంగా నిరోధించాయి మరియు సిలిండర్ యొక్క సున్నితమైన ఆపరేషన్ను నిర్ధారిస్తాయి; ఆటోమేటెడ్ ప్రొడక్షన్ లైన్ యొక్క రోబోటిక్ ఆర్మ్ యొక్క పరస్పర స్వింగ్ లింక్, దాని డస్ట్ సీల్స్ ఖచ్చితమైన భాగాలను దుమ్ము జోక్యం నుండి రక్షిస్తాయి మరియు అధిక-ఖచ్చితమైన కార్యకలాపాలను నిర్వహిస్తాయి; మరియు మైనింగ్ పరికరాల యొక్క స్పైరల్ వినాశనం పరికరం, ధాతువు ధూళి యొక్క వాతావరణంలో, అధిక పీడన దుమ్ము ముద్రలు పరికరాల స్థిరమైన ఆపరేషన్ను నిర్ధారిస్తాయి, సంభావ్య లోపాలను తగ్గిస్తాయి మరియు పరికరాల జీవితాన్ని పొడిగిస్తాయి. రూచెన్ సీలింగ్ చాలా కాలంగా లోతైన అభివృద్ధిపై దృష్టి సారించింది. ప్రొఫెషనల్ బృందం మరియు అత్యాధునిక సౌకర్యాలపై ఆధారపడటం, ఇది కస్టమర్ అవసరాలకు అనుగుణంగా అధిక-పనితీరు గల సీలింగ్ పదార్థాలను అనుకూలీకరించడమే కాక మరియు ఉత్పత్తి నాణ్యతను స్వతంత్రంగా నియంత్రించదు, కానీ పాలియోక్సిమీథైలీన్ వంటి గొప్ప మరియు విభిన్న పదార్థాలను కూడా రిజర్వు చేస్తుంది, వినియోగదారులకు ఒకే స్టాప్లో వివిధ సీలింగ్ సమస్యలను అధిగమించడానికి సహాయపడుతుంది మరియు పరిశ్రమలో కొత్త ఎత్తులకు చేరుకోవడానికి కలిసి పనిచేస్తుంది.
డస్ట్ప్రూఫ్ సీలింగ్ పని పరిస్థితులు
| ప్రొఫైల్ | మోడల్ | ఉష్ణోగ్రత (℃) | వేగం | మీడియా |
![]() |
RCF01 | -35 ~+100 (మ్యాచింగ్ ఓ-రింగ్ NBR) | 6 | హైడ్రాలిక్ ఆయిల్, ఎమల్షన్, వాటర్, మొదలైనవి. |
| -20 ~+200 (మ్యాచింగ్ ఓ-రింగ్ FKM) | ||||
![]() |
RCF02 | -35 ~+100 (మ్యాచింగ్ ఓ-రింగ్ NBR) | 6 | హైడ్రాలిక్ ఆయిల్, ఎమల్షన్, వాటర్, మొదలైనవి. |
| -20 ~+200 (మ్యాచింగ్ ఓ-రింగ్ FKM) | ||||
![]() |
RCF03 | -35 ~+100 (మ్యాచింగ్ ఓ-రింగ్ NBR) | 6 | హైడ్రాలిక్ ఆయిల్, ఎమల్షన్, వాటర్, మొదలైనవి. |
| -20 ~+200 (మ్యాచింగ్ ఓ-రింగ్ FKM) | ||||
![]() |
RCF04 | -35 ~+100 (మ్యాచింగ్ ఓ-రింగ్ NBR) | 6 | హైడ్రాలిక్ ఆయిల్, ఎమల్షన్, వాటర్, మొదలైనవి. |
| -20 ~+200 (మ్యాచింగ్ ఓ-రింగ్ FKM) | ||||
![]() |
RCF05 | -35 ~+100 (మ్యాచింగ్ ఓ-రింగ్ NBR) | 6 | హైడ్రాలిక్ ఆయిల్, ఎమల్షన్, వాటర్, మొదలైనవి. |
| -20 ~+200 (మ్యాచింగ్ ఓ-రింగ్ FKM) |
ఆర్డర్ ఉదాహరణ:
ఆర్డర్ మోడల్ RCF01-80-PTFE3-R01
RCF01- మోడల్ 80-షాఫ్ట్ వ్యాసం PTFE3- యూనివర్సల్ సవరించిన PTFE R01- మ్యాచింగ్ రబ్బరు మెటీరియల్ కోడ్
నైట్రిల్ రబ్బరు (ఎన్బిఆర్) -ఆర్ 01 ఫ్లోరోరబ్బర్ (ఎఫ్కెఎం) -ఆర్ 02
ఆర్డర్ మోడల్ RCF02-80-PTFE3-R01
RCF02- మోడల్ 80-షాఫ్ట్ వ్యాసం PTFE3- జనరల్ సవరించిన PTFER01- మ్యాచింగ్ రబ్బరు మెటీరియల్ కోడ్
NBR (NBR) -R01 ఫ్లోరోరబ్బర్ (FKM) -R02
ఆర్డర్ మోడల్ RCFO3-80-PTFE3 -R01
RCF03- మోడల్ 80-షాఫ్ట్ వ్యాసం PTFE3- జనరల్ సవరించిన PTFE R01- మ్యాచింగ్ రబ్బరు మెటీరియల్ కోడ్
నైట్రిల్ రబ్బరు (ఎన్బిఆర్) -ఆర్ 01 ఫ్లోరోరబ్బర్ (ఎఫ్కెఎం) -ఆర్ 02
ఆర్డర్ మోడల్ RCF04-80-PTFE3-R01
RCF04- మోడల్ 80-షాఫ్ట్ వ్యాసం PTFE3- జనరల్ సవరించిన PTFE R01- మ్యాచింగ్ రబ్బరు మెటీరియల్ కోడ్
నైట్రిల్ రబ్బరు (ఎన్బిఆర్) -ఆర్ 01 ఫ్లోరోరబ్బర్ (ఎఫ్కెఎం) -ఆర్ 02
ఆర్డర్ మోడల్ RCF04-80-PTFE3-R01
RCF04- మోడల్ 80-షాఫ్ట్ వ్యాసం PTFE3- జనరల్ సవరించిన PTFE R01- మ్యాచింగ్ రబ్బరు మెటీరియల్ కోడ్
నైట్రిల్ రబ్బరు (ఎన్బిఆర్) -ఆర్ 01 ఫ్లోరోరబ్బర్ (ఎఫ్కెఎం) -ఆర్ 02
ఆర్డర్ మోడల్ RCF05-80-PTFE3-R01
RCF05- మోడల్ 80-షాఫ్ట్ వ్యాసం PTFE3- జనరల్ సవరించిన PTFE R01- మ్యాచింగ్ రబ్బరు మెటీరియల్ కోడ్
నైట్రిల్ రబ్బరు (ఎన్బిఆర్) -ఆర్ 01 ఫ్లోరోరబ్బర్ (ఎఫ్కెఎం) -ఆర్ 02
లక్షణాలు:
| RCF01 స్పెసిఫికేషన్స్ (పారామితి పరిధిలో ఏ పరిమాణంలోనైనా ఉత్పత్తులను అందించవచ్చు) | ||||||
| షాఫ్ట్ వ్యాసం పరిధి d f8 |
గాడి వ్యాసం D H9 |
గాడి వెడల్పు L+0.2 |
ఓపెన్ హోల్ వ్యాసం D1 H11 |
ఓపెన్ హోల్ వెడల్పు a≥ |
గుండ్రని మూలలు R≤ |
ఓ-రింగ్ వైర్ వ్యాసం డి0 |
| 19 ~ 39 | d+7.6 | 4.2 | d+1.5 | 3 | 0.8 | 2.65 |
| 40 ~ 69 | d+8.8 | 6.3 | d+1.5 | 3 | 0.8 | 2.65 |
| 70 ~ 139 | d+12.2 | 8.1 | d+2.0 | 4 | 0.8 | 3.55 |
| 140 ~ 399 | d+16.0 | 9.5 | d+2.5 | 5 | 1.5 | 5.30 |
| 400 ~ 649 | D+24.0 | 14 | d+2.5 | 8 | 1.5 | 7.00 |
| 650 ~ 1500 | D+27.3 | 16 | d+2.5 | 10 | 2.0 | 8.60 |
| RCF02, RCF03 స్పెసిఫికేషన్ పారామితి పట్టిక (పారామితి పరిధిలో ఏదైనా పరిమాణంలోని ఉత్పత్తులను అందించవచ్చు) | ||||||
| షాఫ్ట్ వ్యాసం పరిధి d f8 |
గాడి వ్యాసం D H9 |
గాడి వెడల్పు L+0.2 |
ఓపెన్ హోల్ వ్యాసం D1 H11 |
ఓపెన్ హోల్ వెడల్పు a≥ |
గుండ్రని మూలలు R≤ |
ఓ-రింగ్ వైర్ వ్యాసం డి0 |
| 4 ~ 11 | d+4.8 | 3.7 | d+1.5 | 2 | 0.4 | 1.8 |
| 12 ~ 64 | d+6.8 | 5 | d+1.5 | 2 | 0.7 | 2.65 |
| 65 ~ 250 | d+8.8 | 6 | d+1.5 | 3 | 1.0 | 3.55 |
| 251 ~ 420 | d+12.2 | 8.4 | d+2.0 | 4 | 1.5 | 5.30 |
| 421 ~ 650 | d+16.0 | 11 | d+2.0 | 4 | 1.5 | 7.00 |
| 651 ~ 1500 | d+20.0 | 14 | d+2.5 | 5 | 2.0 | 8.60 |
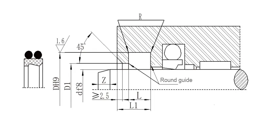
| RCF04 స్పెసిఫికేషన్ పారామితి పట్టిక (పారామితి పరిధిలో ఏదైనా పరిమాణంలోని ఉత్పత్తులను అందించవచ్చు) | ||||||
| షాఫ్ట్ వ్యాసం పరిధి d f8 |
గాడి వ్యాసం DH9 |
దశ వ్యాసం D1 H11 |
గాడి వెడల్పు L+0.2 |
మొత్తం వెడల్పు ఎల్ 1 |
రౌండ్ మూలలు Rmax | చామ్ఫర్ పొడవు Zmin |
| 20 ~ 39.9 | d+7.6 | d+1 | 4.2 | 8.2 | 0.4 | 3 |
| 40 ~ 69.9 | d+8.8 | d+1.5 | 6.3 | 10.3 | 1.2 | 4 |
| 70 ~ 139.9 | d+12.2 | d+2.0 | 8.1 | 12.1 | 2 | 6 |
| 140 ~ 399.9 | d+16.0 | d+2.0 | 11.5 | 15.5 | 2 | 8 |
| 400 ~ 649.9 | D+24.0 | d+2.5 | 15.5 | 19.5 | 2 | 10 |
| 650 ~ 1000 | D+27.3 | d+2.5 | 18.0 | 23.0 | 2 | 12 |
| RCF05 స్పెసిఫికేషన్ పారామితి పట్టిక (పారామితి పరిధిలో ఏదైనా పరిమాణంలోని ఉత్పత్తులను అందించవచ్చు) | ||||||
| షాఫ్ట్ వ్యాసం పరిధి d f8 | గాడి వ్యాసం DH9 | దశ వ్యాసం D1 H11 | గాడి వెడల్పు L+0.2 |
సైడ్ వెడల్పు ఎల్ 1 |
రౌండ్ మూలలు Rmax |
చామ్ఫర్ పొడవు Zmin |
| 100 ~ 229 | D+22.2 | d+10.7 | 6.3 | 4.2 | 1.2 | 6 |
| 230 ~ 299 | d+24.2 | d+10.7 | 6.3 | 4.2 | 1.2 | 8 |
| 300 ~ 629 | D+33.0 | d+15.1 | 8.1 | 6.3 | 1.2 | 10 |
| 630 ~ 1000 | D+36.5 | d+15.1 | 9.5 | 6.3 | 2 | 12 |
అప్లికేషన్:
ప్రధానంగా వ్యవసాయ యంత్రాలు, హైడ్రాలిక్ ప్రెస్లు, ఇంజెక్షన్ అచ్చు యంత్రాలు, హైడ్రాలిక్ కంట్రోల్ సిస్టమ్స్, ఫోర్క్లిఫ్ట్లు, రోలర్ ప్రెస్లు, క్రేన్లు, లోడింగ్ మరియు అన్లోడ్ యంత్రాలు మొదలైన వాటిలో ఉపయోగిస్తారు.











చిరునామా
No.1 రుయిచెన్ రోడ్, డాంగ్లియుటింగ్ ఇండస్ట్రియల్ పార్క్, చెంగ్యాంగ్ జిల్లా, కింగ్డావో సిటీ, షాన్డాంగ్ ప్రావిన్స్, చైనా
Tel
ఇ-మెయిల్