మా అధిక పీడన సీలింగ్ గైడ్ ఎలిమెంట్ గొప్ప రకాలను కలిగి ఉంది.
సపోర్ట్ రింగ్ అనేది హైడ్రాలిక్ సిలిండర్ యొక్క ముఖ్యమైన ప్రాథమిక భాగం. అంతర్జాతీయ స్లైడింగ్ రింగ్ కంబైన్డ్ సీల్ మరియు మృదువైన మద్దతు నిర్మాణం అభివృద్ధికి అనుగుణంగా రూచెన్ సీల్ క్లాత్-రీన్ఫోర్స్డ్ ఫినోలిక్ సపోర్ట్ రింగ్ (బెల్ట్) ను విజయవంతంగా అభివృద్ధి చేసింది. సంవత్సరాల అభ్యాసం తరువాత, నాణ్యత ఇలాంటి విదేశీ ఉత్పత్తుల కంటే ఎక్కువగా ఉంది మరియు వినియోగదారుల నుండి మంచి ఆదరణ లభించింది. పనితీరు పట్టికను సూచన కోసం ఉపయోగించవచ్చు.
గైడ్ బెల్ట్ పరంగా, RC1081 రీన్ఫోర్స్డ్ పాలిటెట్రేథైలీన్ గైడ్ బెల్ట్ PTFE కి కాంస్య పౌడర్ను జోడిస్తుంది, మొదలైనవి, అధిక లోడ్-మోసే, తక్కువ దుస్తులు, తక్కువ ఘర్షణ మరియు గగుర్పాటు లక్షణాలు లేవు; RC1082 క్లాత్-రీన్ఫోర్స్డ్ ఫినోలిక్ గైడ్ బెల్ట్ ఫినోలిక్ క్లాత్-రీన్ఫోర్స్డ్ పదార్థాన్ని అవలంబిస్తుంది మరియు దాని రేడియల్ లోడ్-బేరింగ్ సామర్థ్యం PTFE గైడ్ బెల్ట్ కంటే మెరుగ్గా ఉంటుంది. రెండూ రోల్స్లో సరఫరా చేయబడతాయి, ఇవి కత్తిరించడం మరియు ఇన్స్టాల్ చేయడం సులభం మరియు లోహ సంబంధాన్ని నివారించవచ్చు. RCS మరియు RCT గైడ్ రింగులు వరుసగా పిస్టన్ రాడ్ మరియు పిస్టన్ కోసం ఉపయోగించబడతాయి.
దుస్తులు-నిరోధక వలయాలు హైడ్రాలిక్ సిలిండర్లో పిస్టన్ లేదా పిస్టన్ రాడ్ను ఖచ్చితంగా మార్గనిర్దేశం చేయడం మరియు రేడియల్ శక్తిని గ్రహించడం వంటి పనితీరును కలిగి ఉంటాయి, ఇవి లోహ సంబంధాన్ని నిరోధించగలవు. మెటల్ వేర్ రింగులతో పోలిస్తే, లోహేతర దుస్తులు ధరించే రింగులు దుస్తులు నిరోధకత, లోహ సంబంధాన్ని నివారించడం, కంపనాన్ని అణచివేయడం, పెద్ద రేడియల్ క్లియరెన్స్, సాధారణ పొడవైన కమ్మీలు మరియు సులభంగా సంస్థాపన మరియు తక్కువ నిర్వహణ ఖర్చులు కలిగి ఉంటాయి. అవి విస్తృతంగా ఉపయోగించబడుతున్నాయి. వాటిలో, క్లాత్-రీన్ఫోర్స్డ్ ఫినోలిక్ మరియు పిటిఎఫ్ఇ గైడ్ రింగులు ఆన్-సైట్ కట్టింగ్ మరియు రెడీ-టు-యూజ్ రకాల్లో లభిస్తాయి.
గైడ్ స్లీవ్ల పరంగా, పిస్టన్ రాడ్ల కోసం GFAI ఉపయోగించబడుతుంది, మద్దతు, మార్గదర్శక మరియు డస్ట్ప్రూఫ్ ఫంక్షన్లతో; పిస్టన్ రాడ్ల కోసం కూడా GFI ఉపయోగించబడుతుంది, సహాయక మరియు మార్గదర్శక పాత్రను పోషిస్తుంది; GFA పిస్టన్ల కోసం ఉపయోగించబడుతుంది, సహాయక మరియు మార్గదర్శకత్వాన్ని అందిస్తుంది. ఈ ఉత్పత్తులు హైడ్రాలిక్ సిలిండర్లు అన్ని అంశాలలో స్థిరంగా పనిచేయడానికి సహాయపడతాయి.
ఉత్పత్తి లక్షణాలు మరియు అనువర్తనాలు:
ఆర్డర్ ఉదాహరణ:
PTFE గైడ్ టేప్ ఆర్డరింగ్ ఉదాహరణ RC1081-9.7x2.5
ఫినోలిక్ క్లాత్ గైడ్ టేప్ ఆర్డరింగ్ ఉదాహరణ RC1082-9.7x2.5
కట్టింగ్ పొడవు గణన
షాఫ్ట్ కోసం: రంధ్రం కోసం l = 3.1 (d+w): l = 3.1 (d-W)
L --- రింగ్ పొడవు D --- షాఫ్ట్ వ్యాసం D --- రంధ్రం వ్యాసం w --- రింగ్ మందం Z --- కట్ క్లియరెన్స్
గైడ్ స్లీవ్ GFAI
1. పనితీరు మరియు ఉపయోగం: గైడ్ స్లీవ్ GFAI అనేది పిస్టన్ రాడ్ కోసం గైడ్ స్లీవ్, ఇది పిస్టన్ రాడ్కు మద్దతు ఇస్తుంది మరియు మార్గనిర్దేశం చేస్తుంది మరియు డస్ట్ప్రూఫ్ ఫంక్షన్ను కలిగి ఉంటుంది.
2. మెటీరియల్: నైలాన్ పిఎ, పాలియోక్సిమీథైలీన్ పోమ్ మరియు పాలిటెట్రాఫ్లోరోథైలీన్ పిటిఎఫ్ఇ.
3. పని పరిస్థితులు: పని ఉష్ణోగ్రత: -55 ~+225 ℃ (PTFE 120 above పైన ఉపయోగించబడుతుంది).
4. డిజైన్ స్టాండర్డ్: డిజైన్ మరియు ఎన్నుకునేటప్పుడు, హంగర్ కంపెనీ యొక్క FAI సిరీస్ను చూడండి.
5. మార్కింగ్ మరియు ఆర్డరింగ్ పద్ధతి: గైడ్ స్లీవ్ GFAI ఆర్డర్ సంఖ్యతో గుర్తించబడింది, ఉదాహరణ: GFAI-0600PTFE
గైడ్ స్లీవ్ GFI
1. పనితీరు మరియు ఉపయోగం: గైడ్ స్లీవ్ GFI అనేది పిస్టన్ రాడ్ కోసం గైడ్ స్లీవ్, ఇది పిస్టన్ రాడ్కు మద్దతు ఇస్తుంది మరియు మార్గనిర్దేశం చేస్తుంది.
2. పదార్థం: నైలాన్ పిఎ, పాలియోక్సిమీథైలీన్ పోమ్ మరియు పాలిటెట్రాఫ్లోరోఎథైలీన్ పిటిఎఫ్ఇ.
3. పని పరిస్థితులు: పని ఉష్ణోగ్రత: -55 ~+255 ℃ (PTFE 120 above పైన ఉపయోగించబడుతుంది)
4. డిజైన్ ప్రమాణం: రూపకల్పన మరియు ఎన్నుకునేటప్పుడు, హంగర్ యొక్క FI సిరీస్ను చూడండి.
5. మార్కింగ్ మరియు ఆర్డరింగ్ పద్ధతి: గైడ్ స్లీవ్ GFI ఆర్డర్ సంఖ్యతో గుర్తించబడింది, ఉదాహరణ: GFI-0360PA
గైడ్ స్లీవ్ GFA
1. పనితీరు మరియు ఉపయోగం: గైడ్ స్లీవ్ GFA అనేది పిస్టన్ కోసం గైడ్ స్లీవ్, ఇది పిస్టన్కు మద్దతు ఇస్తుంది మరియు మార్గనిర్దేశం చేస్తుంది.
2. పదార్థం: నైలాన్ పిఎ, పాలియోక్సిమీథైలీన్ పోమ్ మరియు పాలిటెట్రాఫ్లోరోఎథైలీన్ పిటిఎఫ్ఇ.
3. పని పరిస్థితులు: పని ఉష్ణోగ్రత: -55 ~+255 ℃ (PTFE 120 above పైన ఉపయోగించబడుతుంది)
4. డిజైన్ స్టాండర్డ్: డిజైన్ మరియు ఎన్నుకునేటప్పుడు, హంగర్ యొక్క FA సిరీస్ను చూడండి.
5. మార్కింగ్ మరియు ఆర్డరింగ్ పద్ధతి: గైడ్ స్లీవ్ GFA ఆర్డర్ సంఖ్యతో గుర్తించబడింది, ఉదాహరణ: GFA-0560PA
6. నిర్మాణ పరికరం:
లక్షణాలు:
| మోడల్ | గాడి వెడల్పు H+0.2 |
మందం టి - 0.05 |
మందం t టి - 0.05 |
మందం టి - 0.05 |
మందం టి - 0.05 |
మందం టి - 0.05 |
| RC1081/1082-4.2 | 4.2 | 1 | 1.55 | 2 | 2.5 | - |
| RC1081/1082-5.6 | 5.6 | 1.55 | 2 | 2.5 | - | - |
| RC1081/1082-6.3 | 6.3 | 1.55 | 2 | 2.5 | - | - |
| RC1081/1082-8.1 | 8.1 | 1.55 | 2 | 2.5 | - | - |
| RC1081/1082-9.7 | 9.7 | 2 | 2.5 | 3 | 3.5 | 4 |
| RC1081/1082-12.7 | 12.7 | 2 | 2.5 | 3 | 3.5 | 4 |
| RC1081/1082-15 | 15 | 2 | 2.5 | 3 | 3.5 | 4 |
| RC1081/1082-20 | 20 | 2 | 2.5 | 3 | 3.5 | 4 |
| RC1081/1082-25 | 25 | 2 | 2.5 | 3 | 3.5 | 4 |
| RC1081/1082-30 | 30 | 2 | 2.5 | 3 | 3.5 | 4 |
| RC1081/1082-35 | 35 | 2 | 2.5 | 3 | 3.5 | 4 |
| గమనిక: బోల్డ్ఫేస్ సిరీస్ సాధారణంగా ఉపయోగించే సిరీస్. అవసరమైన ఉత్పత్తి ఈ పట్టికలో లేకపోతే, దయచేసి మమ్మల్ని సంప్రదించండి. | ||||||
క్లాత్-రీన్ఫోర్స్డ్ ఫినోలిక్ సపోర్ట్ రింగ్ (బెల్ట్)
సపోర్ట్ రింగ్ హైడ్రాలిక్ సిలిండర్ యొక్క ముఖ్యమైన ప్రాథమిక భాగం. ప్రపంచంలో స్లైడింగ్ రింగ్ కంబైన్డ్ సీల్స్ మరియు మృదువైన బేరింగ్ నిర్మాణాల అభివృద్ధికి అనుగుణంగా, మా కంపెనీ క్లాత్-రీన్ఫోర్స్డ్ ఫినోలిక్ సపోర్ట్ రింగ్స్ (బెల్ట్స్) ను విజయవంతంగా అభివృద్ధి చేసింది. ఈ ఉత్పత్తి సారూప్య విదేశీ ఉత్పత్తుల యొక్క నాణ్యత స్థాయికి చేరుకుందని లేదా మించిపోయిందని మరియు వినియోగదారులచే విస్తృతంగా ప్రశంసించబడిందని సంవత్సరాల వాస్తవ ఉపయోగం తేలింది. 1 నుండి 4 పట్టికలు మా కంపెనీ ఉత్పత్తి చేసిన సపోర్ట్ రింగ్స్ (బెల్ట్స్) యొక్క పనితీరు పట్టికలు.
టేబుల్ 1 మా సపోర్ట్ రింగ్ మరియు బుసాక్+షాంబా ఉత్పత్తుల భౌతిక లక్షణాల పోలిక
| నమూనా మూలం | మద్దతు రింగ్ మందం (mm) | సంపీడన బలం | చమురు నిరోధక బరువు మార్పు రేటు హైడ్రాలిక్ నూనె (70 ± 2 ℃*24 హెచ్) | బ్రేకింగ్ బలం (Mpa) | ఇంటర్లేయర్ సంశ్లేషణ (Kn/m) |
| ఫ్యాషన్+షాంబా | 2.48 | 338.9 | 2.83 | 35.6 | 1.2 |
| మా ఉత్పత్తులు | 2.48 | 425 | 0.90 | 37.0 | 2.9 |
| 2.48 (గ్రాఫైట్తో) | 390 | 0.63 | 36.4 | 2.08 |
| నమూనా రకం | మా ఉత్పత్తులు | ఆర్కోట్ tlg | డురాటెక్ 900 ① | తుర్సైట్ 47 ② | MT64/5B | నోక్వర్ (రోజు) | పోడిఫైఫైడ్ పాలియోక్సిమీథైలీన్ | పిల్లి (యుఎస్) | |
| కొలిచిన విలువ | అవసరమైన సూచికలు | ||||||||
| సంపీడన బలం (Mpa) | ≥350 | ≥330 | ≥350 | ≥280 | ≥50 | ≥270 | ≥150 | ≥80 | ≥217 |
| నమూనా రకం | మా ఉత్పత్తులు | ఆర్కోట్ tlg | డురాటెక్ 900 ① | తుర్సైట్ 47 ② | MT64/5B | నోక్వర్ (రోజు) | పోడిఫైఫైడ్ పాలియోక్సిమీథైలీన్ | పిల్లి (యుఎస్) | |
| కొలిచిన విలువ | అవసరమైన సూచికలు | ||||||||
| సంపీడన బలం (Mpa) | ≥350 | ≥330 | ≥350 | ≥280 | ≥50 | ≥270 | - | ≥80 | ≥217 |
| యూనిట్ సంప్రదింపు పొడవుకు లోడ్ చేయండి W (n/mm) | హెర్ట్జ్ కాంటాక్ట్ రిలే ΔH (N/mm2) | ఘర్షణ గుణకం | |||
| పొడి ఘర్షణ స్థితి | చమురు బిందు సరళత స్థితి | ||||
| మా ఉత్పత్తులు | ఆర్కోట్ టిఎల్జి | మా ఉత్పత్తులు | ఆర్కోట్ టిఎల్జి | ||
| 5.9 | 22.0 | 0.054 | 0.066 | 0.057 | 0.079 |
| 29.0 | 48.7 | 0.052 | 0.067 | 0.056 | 0.081 |
| 44.4 | 60.3 | 0.045 | 0.071 | 0.055 | 0.088 |
| 59.8 | 69.8 | 0.021 | 0.073 | 0.053 | 0.087 |
| 75.2 | 78.3 | 0.020 | 0.075 | 0.052 | 0.085 |
| పదార్థం | PTFE+కాంస్య |
| సరఫరా | రోల్ (సాధారణంగా సుమారు 20 మీటర్లు/రోల్) లేదా అవసరమైన పొడవుకు కత్తిరించండి |
| ప్రయోజనాలు | 1. తక్కువ ఘర్షణ, గగుర్పాటు మరియు కొరికే లేదు; |
| 2. తగినంత సరళత లేకుండా కూడా బాగా పని చేయవచ్చు; | |
| 3. వివిధ రకాల మీడియాకు నిరోధకత, అద్భుతమైన రసాయన స్థిరత్వం; | |
| 4. సిలిండర్ మరియు సీల్స్ గోకడం కఠినమైన వస్తువులను తగ్గించడానికి దుస్తులు-నిరోధక రింగ్లో పొందుపరిచిన కఠినమైన వస్తువులను కలిగి ఉంటుంది, కాబట్టి భారీ-లోడ్ పరిస్థితులలో, బహుళ దుస్తులు-నిరోధక ఉంగరాలను ఉపయోగించండి; | |
| 5. ఇది హై-స్పీడ్ మరియు లైట్-లోడ్ పరిస్థితులలో మంచి దుస్తులు నిరోధకతను కలిగి ఉంది, కాబట్టి ఇది విస్తృతంగా ఉపయోగించే దుస్తులు-నిరోధక రింగ్; | |
| 6. పరిమాణ పరిమితులు లేవు, పెద్ద వ్యాసం పరిస్థితులలో ఉపయోగించవచ్చు. | |
| ఉష్ణోగ్రత | -60 ~+200 |
| గరిష్ట వేగం | 15 మీ/సె |
| గరిష్ట ఎక్స్ట్రాషన్ బలం | 15n/mm2 (20 °) |
| 7.5n/mm2 (80 °) | |
| 5n/mm2 (120 °) |
పిస్టన్ రాడ్
పిస్టన్ కోసం RCT నాన్-మెటాలిక్ గైడ్ రింగ్
హైడ్రాలిక్ సిలిండర్లో నడుస్తున్న పిస్టన్ లేదా పిస్టన్ రాడ్ కోసం, దుస్తులు రింగ్ ఖచ్చితమైన మార్గదర్శక ప్రభావాన్ని కలిగి ఉంటుంది మరియు రేడియల్ శక్తులను గ్రహించగలదు. అదే సమయంలో, దుస్తులు రింగ్ హైడ్రాలిక్ సిలిండర్లో స్లైడింగ్ భాగాల లోహ సంబంధాన్ని నిరోధించవచ్చు. మెటల్ వేర్ రింగులతో పోలిస్తే, లోహేతర దుస్తులు ధరించే వలయాలు చాలా ప్రయోజనాలను కలిగి ఉన్నాయి. వాటిలో, క్లాత్-రీన్ఫోర్స్డ్ ఫినోలిక్ మరియు పిటిఎఫ్ఇ గైడ్ రింగులు ఆన్-సైట్ కట్టింగ్ రకం మరియు రెడీ-టు-యూజ్ టైప్లో లభిస్తాయి.
1. మంచి దుస్తులు నిరోధకత
2. మెటల్-టు-మెటల్ పరిచయాన్ని నివారించండి
3. మెకానికల్ వైబ్రేషన్ను అణచివేయగలదు
4. దుస్తులు-నిరోధక రింగ్ యొక్క కేంద్రీకృత ప్రభావం కారణంగా, పెద్ద రేడియల్ క్లియరెన్స్ అనుమతించబడుతుంది
5. గాడి సరళమైనది మరియు ఇన్స్టాల్ చేయడం సులభం
6. పై ప్రయోజనాల ఆధారంగా తక్కువ నిర్వహణ ఖర్చు, ఇది విస్తృతంగా ఉపయోగించబడుతుంది
పదార్థం:
1.
2. పాలియోక్సిమీథైలీన్ పోమ్ లేదా నైలాన్ పా మరియు దాని సవరించిన పదార్థాలు
3. ఫార్మాల్డిహైడ్ రెసిన్ + ఫైబర్ ప్రిఫ్ బలోపేతం
వేర్వేరు పదార్థాల లోడ్-బేరింగ్ సామర్థ్యం యొక్క పోలిక పట్టిక (సూచన)
| పదార్థం | మోసే సామర్థ్యం గరిష్టంగా (n/mm2) |
| PTFE నిండిన రాగి పొడి | 15 (20 ℃); 7.5 (80 ℃) 5 (120 ℃) |
| వస్త్రంతో ఫినోలిక్ పౌడర్ | 90 (60 ℃); 40 (80 ℃) |
| పాలియోక్సిమీథైలీన్ లేదా నైలాన్ | 25 (60 ℃); 15 (80 ℃) |
| పాలిపోయిన | 40 (60 ℃); 30 (80 ℃) |
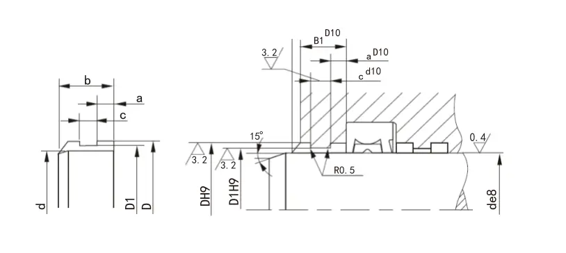
| సున్నితత్వం | Rtmax (μm) | Raరి |
| స్లైడింగ్ ఉపరితలం | ≤2.5 | 0.05-0.3 |
| గాడి దిగువ | ≤10 | ≤2 |
| గాడి వైపు | ≤15 | ≤3 |
పిస్టన్ రాడ్ గైడ్ రింగ్ స్పెసిఫికేషన్ సిరీస్
| రాడ్ వ్యాసం | దిగువ వ్యాసం | గాడి వెడల్పు | మందం | గ్యాప్ |
|
రాడ్ వ్యాసం | దిగువ వ్యాసం | గాడి వెడల్పు | మందం | గ్యాప్ |
| D F8/H9 | D H8 | L+0.2 | W | Z | D F8/H9 | D H8 | L+0.2 | W | Z | |
| 8-20 | d+3.1 | 2.5 | 1.55 | 1-2 | 200-999.9 | d+5 | 25 | 2.5 | 8-33 | |
| 10-50 | d+3.1 | 4 | 1.55 | 1-3 | 1000-4200 | d+5 | 25 | 2.5 | 33-134 | |
| 15-140 | d+5 | 5.6 | 2.5 | 2-5 | 280-999.9 | d+8 | 25 | 4 | 10-33 | |
| 20-220 | d+5 | 9.7 | 2.5 | 2-9 | 1000-2200 | d+8 | 25 | 4 | 33-70 | |
| 80-400 | d+5 | 15 | 2.5 | 4-15 |
|
|
|
|
|



























చిరునామా
No.1 రుయిచెన్ రోడ్, డాంగ్లియుటింగ్ ఇండస్ట్రియల్ పార్క్, చెంగ్యాంగ్ జిల్లా, కింగ్డావో సిటీ, షాన్డాంగ్ ప్రావిన్స్, చైనా
Tel
ఇ-మెయిల్