మా RCS సిరీస్, ప్రొఫెషనల్ డిజైన్ మరియు టెక్నికల్ ప్రొడక్షన్ ద్వారా, పిస్టన్ రాడ్ సీల్ టర్నింగ్ సీల్స్ యొక్క విభిన్న అవసరాలను తీరుస్తుంది, సాధారణ దృశ్యాల నుండి తీవ్రమైన పని పరిస్థితులకు ఖచ్చితమైన పరిష్కారాలను అందిస్తుంది.
నిర్మాణ రూపకల్పన పరంగా, ప్రాథమిక నమూనాలు స్థిరత్వం మరియు ఉపయోగం యొక్క సౌలభ్యంపై కేంద్రీకృతమై ఉన్నాయి: RCS101/103 ముందే బిగించిన O- రింగులు లేదా సహాయక పెదవుల ద్వారా పొందుపరిచే స్థిరత్వాన్ని పెంచుతుంది, ముఖ్యంగా చిన్న స్ట్రోక్ల కోసం; RCS102/104R/117R పదార్థం మరియు గాడి అనుకూలతను ఆప్టిమైజ్ చేయడం ద్వారా అధిక ఒత్తిళ్లకు మద్దతు ఇస్తుంది (ప్రామాణిక గాడి హై-ప్రెజర్ దృశ్యాలకు RCS102R వంటివి). న్యూమాటిక్ సిస్టమ్స్ కోసం, RCS105/205 కందెన చమురు ఫిల్మ్ను నిర్వహించడానికి మరియు సరళత/సరళతర పరిసరాలకు అనుగుణంగా ప్రత్యేక పెదవి రూపకల్పనను అవలంబిస్తుంది.
రూచెన్ సీల్స్ మెటీరియల్ మరియు ఫంక్షనల్ ఇన్నోవేషన్ పై కూడా దృష్టి పెడతాయి. RCS118/119/124-129 వంటి నమూనాలు పాలిటెట్రాఫ్లోరోఎథైలీన్ (పిటిఎఫ్ఇ) లేదా పాలియురేథేన్ను ప్రధాన శరీరంగా ఉపయోగిస్తాయి, ప్రెషర్ను సమతుల్యం చేయడానికి మాండర్ స్ప్రింగ్స్ లేదా ఓ-రింగులతో కలిపి, తక్కువ ఘర్షణ, తుప్పు నిరోధక దుస్తులు మరియు తుప్పు నిరోధకత, రసాయన మరియు ఆహార నింపే పరికరాల శుభ్రత మరియు అధిక ఉష్ణోగ్రత నిరోధకత అవసరాలకు అనుగుణంగా ఉంటాయి. RCS129 RCS101 తో సీలింగ్ వ్యవస్థను ఏర్పరుస్తుంది, ఇది వాకింగ్ మెషినరీ మరియు భారీ హైడ్రాలిక్ పరికరాలకు అనుకూలంగా ఉంటుంది; RCS126-128 అసమాన V- పీస్ డిజైన్ ద్వారా తక్కువ-పీడన సీలింగ్ను ఆప్టిమైజ్ చేస్తుంది మరియు ce షధ మరియు రసాయన పరిశ్రమ కోసం అనుకూలీకరించబడుతుంది.
సంక్లిష్టమైన పని పరిస్థితుల కోసం, RCS120/138 మరియు ఇతర డబుల్-యాక్టింగ్ సీల్స్ ఇంటిగ్రేటెడ్ సపోర్ట్ రింగ్ డిజైన్ను కలిగి ఉన్నాయి, ఇది అధిక పీడనం మరియు వక్రీకరణకు నిరోధకతను కలిగి ఉంటుంది మరియు కాంపాక్ట్ పొడవైన కమ్మీలకు అనుగుణంగా ఉంటుంది; RCS131 అనేది O- రింగ్ ప్రత్యామ్నాయం, ఇది వెలికితీత మరియు రసాయన నిరోధకతకు నిరోధకతను కలిగి ఉంటుంది మరియు ఇది ఆహారం మరియు ce షధ పరిశ్రమకు ఇష్టపడే ఎంపికగా మారింది. మరియు RCS116/216 సమయస్ఫూరే ఖర్చులను తగ్గించడానికి ఫిక్చర్ ఇన్స్టాలేషన్ ద్వారా పాత సిలిండర్లను త్వరగా రిపేర్ చేస్తుంది.
RCS సిరీస్ వినియోగదారులకు అధిక పీడనం, అధిక వేగం, తినివేయు మీడియా మరియు ప్రత్యేక పరిశ్రమ సవాళ్లను ఎదుర్కోవటానికి మరియు పరికరాల విశ్వసనీయత మరియు జీవితాన్ని మెరుగుపరచడానికి సహాయపడుతుంది.
ఉత్పత్తి లక్షణాలు మరియు అనువర్తనాలు:
పిస్టన్ రాడ్ సీల్ టర్నింగ్ సీల్స్ హైడ్రాలిక్ సిలిండర్లు మరియు సిలిండర్లు, ఇంజనీరింగ్ వాహనాలు, వ్యవసాయ యంత్రాలు, క్రేన్లు మరియు మెరైన్ హైడ్రాలిక్ పరికరాలు, యంత్ర సాధనాలకు అనుకూలంగా ఉంటాయి.
భారీ పారిశ్రామిక యంత్రాలు, ప్రెస్లు, రసాయన పరిశ్రమ, ఫాస్ట్ ఆయిల్ సిలిండర్లు మరియు పొజిషనింగ్ మెషినరీ ఫుడ్ ఇండస్ట్రీ, ce షధ పరిశ్రమలో ఉపయోగిస్తారు.
ప్రయోజనాలు
పిస్టన్ రాడ్ సీల్ టర్నింగ్ సీల్స్ గాడిలో స్థిరంగా పొందుపరచబడతాయి, విస్తృత ఉష్ణోగ్రత పరిధి, అద్భుతమైన స్టాటిక్ మరియు డైనమిక్ సీలింగ్ పనితీరు మరియు డైనమిక్ పరిస్థితులలో బలమైన అవశేష చమురు పునరుద్ధరణ సామర్థ్యం. తక్కువ ఘర్షణ, గగుర్పాటు, అధిక దుస్తులు నిరోధకత, తక్కువ స్టాటిక్ మరియు ఘర్షణ విలువలు, మంచి యాంటీ-ఎక్స్ట్రాషన్ పనితీరు, మంచి ఉష్ణ వాహకత మరియు విస్తృత ఉష్ణోగ్రత పరిధి మాత్రమే.
పాత పిస్టన్ రాడ్లకు అనువైనది, ఓపెన్ రకం గగుర్పాటును ఇన్స్టాల్ చేయడం సులభం.

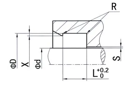
RCS101
ఆర్డర్ పరిమాణం
Φd ...... uter టర్ వ్యాసం
Φd ...... లోపలి వ్యాసం
ఎల్ ...... గాడి వెడల్పు
| ఉపరితల ముగింపు | R tmax (μm) | Raరి |
| స్లైడింగ్ ఉపరితల సరిపోలిక రబ్బరు/పాలియురేతేన్ సీల్స్ స్లైడింగ్ ఉపరితల సరిపోలిక PTFE సీల్స్ | ≤2.5 ≤2 | ≤0.1-0.5 ≤0.05-0.3 |
| గాడి దిగువ గాడి వైపు | ≤6.3 ≤15 | ≤1.6 ≤3 |
| TP ప్రొఫైల్ మద్దతు పొడవు నిష్పత్తి | 50%-95% |
|
| సహనం | |
| Φd | f8 |
| Φd | H10 |
ఆర్డర్ ఉదాహరణ
మోడల్: RCS101
గాడి పరిమాణం: 100x115x10
పదార్థం: RC-PU-H

ముద్ర రకం: RCS101, RCS102, RCS103, RCS104, RCS205, RCS106, RCS107, RCS108, RCS117, RCS121
ప్రధాన అనువర్తనం: హైడ్రాలిక్ మరియు న్యూమాటిక్ సిలిండర్లకు అనువైనది
ప్రయోజనాలు: గాడిలో స్థిరమైన ఎంబెడ్డింగ్, విస్తృత ఉష్ణోగ్రత పరిధి, అద్భుతమైన స్టాటిక్ మరియు డైనమిక్ సీలింగ్ పనితీరు, డైనమిక్ పరిస్థితులలో బలమైన అవశేష చమురు వెలికితీత సామర్థ్యం.
పదార్థం: పాలియురేతేన్, రబ్బరు
| సీల్ గ్రోవ్ ఉదాహరణలు | కిందివి ప్రామాణిక గాడి కొలతలు (పరిమాణ పరిధిలో ఏదైనా పరిమాణంలోని దుమ్ము ముద్రలను ఉత్పత్తి చేయవచ్చు) | ||||||||
![]() |
![]() |
Φd | Φd | L | సి/సె | గరిష్ట ఎక్స్ట్రాషన్ గ్యాప్ | |||
| 100 బార్ | 250 బార్ | 400 బార్ | |||||||
| 5-24.9 | Φd+8 | 6.3 | 4 | 0.50 | 0.35 | 0.25 | |||
| 25-49.9 | Φd+10 | 8 | 5 | 0.50 | 0.35 | 0.25 | |||
| 50-149.9 | Φd+15 | 10 | 7.5 | 0.50 | 0.35 | 0.25 | |||
| 150-229.9 | Φd+20 | 14 | 10 | 0.50 | 0.35 | 0.25 | |||
| 300-499.9 | Φd+25 | 17 | 12.5 | 0.50 | 0.35 | 0.25 | |||
| 500-699.9 | Φd+30 | 25 | 15 | 0.50 | 0.35 | 0.25 | |||
| > 700 | Φd+40 | 32 | 20 | 0.60 | 0.40 | 0.30 | |||
| > 1000 | Φd+50 | 40 | 25 | 0.70 | 0.50 | 0.40 | |||

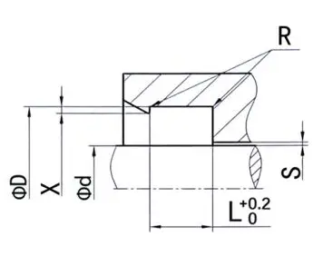
RCS109
ఆర్డర్ పరిమాణం
Φd ...... uter టర్ వ్యాసం
Φd ...... లోపలి వ్యాసం
ఎల్ ...... గాడి వెడల్పు
|
ఉపరితల ముగింపు |
R tmax (μm) |
Raరి |
|
స్లైడింగ్ ఉపరితల సరిపోలిక రబ్బరు/పాలియురేతేన్ సీల్స్ స్లైడింగ్ ఉపరితల సరిపోలిక PTFE సీల్స్ |
≤2.5
≤2 |
≤0.1-0.5
≤0.05-0.3 |
|
గాడి దిగువ గాడి వైపు |
≤6.3 ≤15 |
≤1.6 ≤3 |
|
TP ప్రొఫైల్ మద్దతు పొడవు నిష్పత్తి |
50%-95% |
|
|
సహనం |
|
|
Φd |
f8 |
|
Φd |
H10 |
ఆర్డర్ ఉదాహరణ
మోడల్: RCS109
గాడి పరిమాణం: 100x115.1x6.3
మెటీరియల్: PTFE3+NBR

ముద్ర రకం: RCS109
ప్రధాన అప్లికేషన్: ఇంజనీరింగ్ వాహనాలు, వ్యవసాయ యంత్రాలు, క్రేన్లు, మెరైన్ హైడ్రాలిక్ పరికరాలు, యంత్ర సాధనాలు.
ప్రయోజనాలు: తక్కువ ఘర్షణ, క్రీప్ లేదు, అధిక దుస్తులు నిరోధకత, మంచి యాంటీ-ఎక్స్ట్రాషన్ పనితీరు, మంచి ఉష్ణ వాహకత, స్థిరమైన ఎంబెడ్డింగ్ గాడి, విస్తృత ఉష్ణోగ్రత పరిధి మాత్రమే.
పదార్థం: టెట్రాఫ్లోరోఎథైలీన్, నైట్రిల్ రబ్బరు లేదా ఫ్లోరిన్ రబ్బరు
|
సీల్ గ్రోవ్ ఉదాహరణలు |
కిందివి ప్రామాణిక గాడి కొలతలు (పరిమాణ పరిధిలో ఏదైనా పరిమాణంలోని దుమ్ము ముద్రలను ఉత్పత్తి చేయవచ్చు) |
||||||||
|
|
|
Φd |
Φd |
L |
సి/సె |
గరిష్ట ఎక్స్ట్రాషన్ గ్యాప్ |
|||
|
100 బార్ |
200 బార్ |
400 బార్ |
|||||||
|
5-7.9 |
Φd+4.9 |
2.2 |
2.45 |
0.30 |
0.20 |
0.15 |
|||
|
8-18.9 |
Φd+7.3 |
3.2 |
3.64 |
0.40 |
0.25 |
0.15 |
|||
|
19-37.9 |
Φd+10.7 |
4.2 |
5.35 |
0.40 |
0.25 |
0.20 |
|||
|
38-199.9 |
Φd+15.1 |
6.3 |
7.55 |
0.50 |
0.30 |
0.20 |
|||
|
200-255.9 |
Φd+20.5 |
8.1 |
10.25 |
0.60 |
0.35 |
0.25 |
|||
|
256-649.9 |
Φd+24 |
8.1 |
12 |
0.60 |
0.35 |
0.25 |
|||
|
650-1000 |
Φd+27.3 |
9.5 |
13.65 |
0.70 |
0.50 |
0.30 |
|||
|
> 1000 |
Φd+38 |
13.8 |
19 |
1.00 |
0.70 |
0.50 |
|||

RCS110-112
ఆర్డర్ పరిమాణం
Φd ...... uter టర్ వ్యాసం
Φd ...... లోపలి వ్యాసం
ఎల్ ...... గాడి వెడల్పు
|
ఉపరితల ముగింపు |
R tmax (μm) |
Raరి |
|
స్లైడింగ్ ఉపరితల సరిపోలిక రబ్బరు/పాలియురేతేన్ సీల్స్ స్లైడింగ్ ఉపరితల సరిపోలిక PTFE సీల్స్ |
≤2.5
≤2 |
≤0.1-0.5
≤0.05-0.3 |
|
గాడి దిగువ గాడి వైపు |
≤6.3 ≤15 |
≤1.6 ≤3 |
|
TP ప్రొఫైల్ మద్దతు పొడవు నిష్పత్తి |
50%-95% |
|
|
సహనం |
|
|
Φd |
f8 |
|
Φd |
H10 |
ఆర్డర్ ఉదాహరణ
మోడల్: RCS110-112
గాడి పరిమాణం: 100x120x32
పదార్థం: RC-PU-H+పోమ్

ముద్ర రకం: RCS110-112, RCS126-128
ప్రధాన అప్లికేషన్: భారీ పారిశ్రామిక యంత్రాల కోసం, ప్రెస్లు
ప్రయోజనాలు: పాత పిస్టన్ రాడ్లకు అనువైనది, ఓపెన్ రకం లతను ఇన్స్టాల్ చేయడం సులభం
పదార్థం: పాలియురేతేన్, పాలియోక్సిమీథైలీన్, నైలాన్
|
సీల్ గ్రోవ్ ఉదాహరణలు |
కిందివి ప్రామాణిక గాడి కొలతలు (పరిమాణ పరిధిలో ఏదైనా పరిమాణంలోని దుమ్ము ముద్రలను ఉత్పత్తి చేయవచ్చు) |
|||||
|
|
|
Φd |
Φd |
L |
సి/సె |
|
|
10-39.9 |
Φd+10 |
16 |
5 |
|||
|
40-74.9 |
Φd+15 |
25 |
7.5 |
|||
|
75-149.9 |
Φd+20 |
32 |
10 |
|||
|
150-199.9 |
Φd+25 |
40 |
12.5 |
|||
|
200-299.9 |
Φd+30 |
50 |
15 |
|||
|
300-599.9 |
Φd+40 |
63 |
20 |
|||
|
> 600 |
Φd+40 |
80 |
20 |
|||
|
> 1000 |
Φd+50 |
100 |
25 |
|||

RCS119
ఆర్డర్ పరిమాణం
Φd ...... uter టర్ వ్యాసం
Φd ...... లోపలి వ్యాసం
ఎల్ ...... గాడి వెడల్పు
|
ఉపరితల ముగింపు |
R tmax (μm) |
Raరి |
|
స్లైడింగ్ ఉపరితల సరిపోలిక రబ్బరు/పాలియురేతేన్ సీల్స్ స్లైడింగ్ ఉపరితల సరిపోలిక PTFE సీల్స్ |
≤2.5
≤2 |
≤0.1-0.5
≤0.05-0.3 |
|
గాడి దిగువ గాడి వైపు |
≤6.3 ≤15 |
≤1.6 ≤3 |
|
TP ప్రొఫైల్ మద్దతు పొడవు నిష్పత్తి |
50%-95% |
|
|
సహనం |
|
|
Φd |
f8 |
|
Φd |
H10 |
ఆర్డర్ ఉదాహరణ
మోడల్: RCS119
గాడి పరిమాణం: 100x109.4x7.1
మెటీరియల్: PTFE2+NBR

ముద్ర రకం: RCS119
ప్రధాన అప్లికేషన్: రసాయన పరిశ్రమ, రాపిడ్ సిలిండర్లు మరియు పొజిషనింగ్ మెషినరీ. ఆహార పరిశ్రమ, ce షధ పరిశ్రమ.
ప్రయోజనాలు: అధిక ఉష్ణోగ్రతలు మరియు వివిధ రసాయన మాధ్యమాలకు నిరోధకత, తక్కువ ఘర్షణ గుణకం, క్రీప్ లేదు, మంచి పొడి ఘర్షణ లక్షణాలు, తక్కువ స్టాటిక్ మరియు ఘర్షణ విలువలు.
పదార్థం: PTFE+ఆకు వసంత
|
సీల్ గ్రోవ్ ఉదాహరణలు |
కిందివి ప్రామాణిక గాడి కొలతలు (పరిమాణ పరిధిలో ఏదైనా పరిమాణంలోని దుమ్ము ముద్రలను ఉత్పత్తి చేయవచ్చు) |
|||||||||
|
|
|
Φd |
Φd |
L |
R |
X |
గరిష్ట ఎక్స్ట్రాషన్ గ్యాప్ |
|||
|
100 బార్ |
200 బార్ |
400 బార్ |
||||||||
|
10-19.9 |
d+4.5 |
3.6 |
0.4 |
0.6 |
0.15 |
0.10 |
0.07 |
|||
|
20-39.9 |
d+6.2 |
4.8 |
0.6 |
0.7 |
0.20 |
0.15 |
0.08 |
|||
|
40-119.9 |
d+9.4 |
7.1 |
0.8 |
0.8 |
0.25 |
0.20 |
0.10 |
|||
|
120-1000 |
d+12.2 |
9.5 |
0.8 |
0.9 |
0.30 |
0.25 |
0.12 |
|||
|
> 1000 |
D+19.0 |
15 |
0.8 |
0.9 |
0.50 |
0.40 |
0.20 |
|||



















































































చిరునామా
No.1 రుయిచెన్ రోడ్, డాంగ్లియుటింగ్ ఇండస్ట్రియల్ పార్క్, చెంగ్యాంగ్ జిల్లా, కింగ్డావో సిటీ, షాన్డాంగ్ ప్రావిన్స్, చైనా
Tel
ఇ-మెయిల్