ప్రామాణిక సాధారణ-ప్రయోజనం మరియు అధిక-పీడన ప్రత్యేక ఉత్పత్తులను కవర్ చేసే పూర్తి స్థాయి స్టాటిక్ సీల్స్ పరిష్కారాలను మేము అందిస్తాము. RCFL106/102 మరియు RCK126 సాధారణ నిర్మాణం మరియు విస్తృత అనువర్తనంతో ప్రాథమిక నమూనాలు; RCS130/131 మరియు RCFL108 గాడి ఎంబెడ్డింగ్ యొక్క స్థిరత్వాన్ని నిర్ధారించడానికి ఎక్స్ట్రాషన్ బాహ్య వ్యాసం కలిగిన సంస్థాపనా రూపకల్పనను అవలంబిస్తాయి; RCK120/127 మరియు ఇతర సారూప్య సిరీస్ ఉత్పత్తులు ఎక్స్ట్రాషన్ లోపలి వ్యాసం సంస్థాపన ద్వారా అదే విశ్వసనీయతను సాధిస్తాయి.
ఫ్లేంజ్ సీలింగ్ అవసరాలకు ప్రతిస్పందనగా, RCF110 మరియు RCR118 రెండు దిశలలో ఒత్తిడిని కలిగిస్తాయి మరియు ఆర్డరింగ్ చేసేటప్పుడు పీడన దిశను సూచించాలి. ఉత్పత్తి శ్రేణి అధిక-పీడన పని పరిస్థితులకు పూర్తిగా తక్కువ పీడనం కలిగి ఉంటుంది, మరియు పదార్థం దుస్తులు-నిరోధక మరియు తుప్పు-నిరోధకతను కలిగి ఉంటుంది మరియు హైడ్రాలిక్ వ్యవస్థలు, పైప్లైన్ కనెక్షన్లు మరియు పారిశ్రామిక పరికరాల సీలింగ్లో విస్తృతంగా ఉపయోగించబడుతుంది.
ఉత్పత్తి లక్షణాలు మరియు అనువర్తనాలు:
అప్లికేషన్: సాధారణ ప్రయోజనం, ఐడి ముద్ర, OD ముద్ర, అక్షసంబంధ ముద్ర
ఓ-రింగ్ లక్షణాలు మరియు పొడవైన కమ్మీలు
ఆర్డర్ పరిమాణం
Φd1 ...... లోపలి వ్యాసం
Φd2 ...... విభాగం వ్యాసం
ఆర్డర్ ఉదాహరణ
మోడల్: RCFL106
లోపలి వ్యాసం విభాగం వ్యాసం: 14x1.8
పదార్థం: nbr
అప్లికేషన్
లోపలి నుండి ఒత్తిడి: O- రింగ్ బయటి వ్యాసం నుండి కుదించబడుతుంది
బయటి నుండి ఒత్తిడి: ఓ-రింగ్ లోపలి వ్యాసం నుండి కుదించబడుతుంది
ఓ-రింగులు ఖచ్చితమైన తయారీ సహనాలను కలిగి ఉంటాయి. అనుమతించదగిన సహనాలు DIN3771 మరియు ISO3601/1 (7 మిమీ వరకు క్రాస్-సెక్షన్ వ్యాసం, 670 మిమీ వరకు లోపలి వ్యాసం) ప్రకారం ప్రామాణీకరించబడ్డాయి. సంబంధిత సహనాలు క్రింది పట్టికలో చూపించబడ్డాయి.
| విభాగం సహనం | ||||||||
| విభాగం | 1.80 | 2.65 | 3.55 | 5.30 | 7.00 | 8.4 | 10.00 | 12.00 |
| సహనం | ± 0.08 | ± 0.09 | ± 0.10 | ± 0.13 | ± 0.15 | ± 0.18 | ± 0.21 | ± 0.25 |
| లోపలి వ్యాసం సహనం | ||||||||||
| లోపలి వ్యాసం | 1.80 ~ 6.30 | 6.70 ~ 11.20 | 11.8 ~ 21.2 | 22.4 ~ 40.0 | 41.2 ~ 80.0 | 82.5 ~ 160 | 165 ~ 300 | 300 ~ 650 | 670 ~ 910 | 910 ~ 1180 |
| సహనం | ± 0.13 | ± 0.16 | ± 0.19 | ± 0.95 | ± 0.86 | ± 0.78 | ± 0.74 | ± 0.67 | ± 0.60 | ± 0.65 |
| సంబంధిత లోపలి వ్యాసం శాతం % | ||||||||||
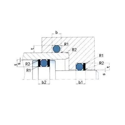
గాడి పరిమాణం
![]() |
||||||||||
| విభాగం డి 2 | గాడి లోతు t | గాడి వెడల్పు యూనిట్: MM (+0.20) | వ్యాసార్థం r1 mm | |||||||
| mm | స్టాటిక్ | Dynషధము) | వాయు న్యూమ్మూటిక్ | బి నిలుపుకునే రింగ్ లేదు | బి 1 1 నిలుపుకునే రింగ్ | బి 2 2 నిలుపుకునే ఉంగరాలు | ||||
| 1.00 | 0.65 | ± 0.05 | 0.75 | ± 0.02 | 0.80 | ± 0.02 | 1.4 | 2.4 | 3.4 | 0.2-0.4 |
| 1.50 | 1.05 | 1.20 | 1.25 | 2.0 | 3.0 | 4.0 | 0.2-0.4 | |||
| 1.80 | 1.30 | 1.45 | 1.55 | 2.4 | 3.4 | 4.4 | 0.2-0.4 | |||
| 2.00 | 1.50 | 1.65 | 1.75 | 2.7 | 3.7 | 4.7 | 0.2-0.4 | |||
| 2.50 | 1.95 | 2.10 | 2.20 | 3.4 | 4.9 | 6.4 | 0.2-0.4 | |||
| 2.65 | 2.05 | 2.25 | 2.35 | 3.6 | 5.1 | 6.6 | 0.2-0.4 | |||
| 3.00 | 2.40 | 2.55 | 2.70 | 4.2 | 5.7 | 7.2 | 0.2-0.4 | |||
| 3.50 | 2.80 | ± 0.07 | 3.05 | ± 0.05 | 3.20 | ± 0.05 | 4.8 | 5.3 | 7.8 | 0.3-0.6 |
| 3.55 | 2.85 | 3.10 | 3.25 | 4.8 | 6.3 | 7.8 | 0.3-0.6 | |||
| 4.00 | 3.25 | 3.50 | 3.65 | 5.4 | 6.9 | 8.4 | 0.3-0.6 | |||
| 5.00 | 4.15 | ± 0.10 | 4.45 | 4.65 | 6.8 | 8.8 | 10.8 | 0.3-0.6 | ||
| 5.30 | 4.40 | 4.70 | 4.90 | 7.2 | 9.3 | 11.2 | 0.6-1.0 | |||
| 7.00 | 5.85 | 6.25 | 6.55 | 9.6 | 12.1 | 14.6 | 0.6-1.0 | |||
| 8.40 | 7.10 | 7.50 | 7.90 | 12.9 | 13.4 | 15.6 | 0.6-1.0 | |||











చిరునామా
No.1 రుయిచెన్ రోడ్, డాంగ్లియుటింగ్ ఇండస్ట్రియల్ పార్క్, చెంగ్యాంగ్ జిల్లా, కింగ్డావో సిటీ, షాన్డాంగ్ ప్రావిన్స్, చైనా
Tel
ఇ-మెయిల్